Do not display this message again
Close window
Spread foundation design - EN 1997 - Maple Application Center
お問合せ
見積もり依頼
製品
Maple
シンプルな操作性の高度数学ソフトウェア
• 教育機関向け Maple
• 学生向け Maple
• Maple Learn
• Maple Calculator App
• 企業及び官公庁向け Maple
• 個人利用向け Maple
Maple Add-Ons
• 学生向けEブック & 学習ガイド
• Maple ツールボックス
• MapleNet
• 無償版 Maple Player
Math Success Platform
定着率の向上
Maple Flow
Engineering calculations & documentation
• Maple Flow
• Maple Flow Migration Assistant
MapleSim
先進的なシステムレベルモデリング
• MapleSim
• MapleSim for Web Converting Systems
• デジタルツイン向け MapleSim
• 教育利用向け MapleSim
• アドオンのコンポーネントライブラリ
• MapleSim Insight
コンサルティングサービス
• エンジニアリングサービス
• トレーニング
• Turnkey Solutions
オンライン教育製品
Maple T.A. や Möbius をお探しですか?
Maplesoft のテクノロジーパートナーである DigitalEd が、これらの製品を提供しています。詳しくはこちらをご覧ください。
ソリューション
教育利用
• 数学教育
• 工学教育
• 高等学校・専門学校
• 学生
• オンライン学習教材
産業分野
自動車及び航空宇宙
• 電気 & ハイブリッド自動車
• パワートレイン
• 車両運動
• 重機械
• 航空機システム
• 宇宙システム
ロボティクス
• ロボティクスリサーチ
• モーション制御/メカトロニクス
マシンデザイン
& 産業オートメーション
• マシンデザイン
• マニュファクチャリング
• 鉱業・石油生産設備
• ウェブハンドリング
その他
• 電力産業
• ファイナンス
• 医療機器
• ライフサイエンス
アプリケーション
• Power Systems Engineering
• 電気・電子系エンジニアのためのMaple
• 機械系エンジニアのためのMaple
• システムシミュレーション & 解析
• バーチャルコミッショニング
• バッテリモデリング
• 伝熱モデリング
• メカニズム動解析
• 計算マネジメント
• HIL 向けモデル開発
• 振動解析
購入
製品価格
• Maple
• Maple Flow
• MapleSim
• アドオンとコネクタ
• 見積もり依頼
購入
• 今すぐ購入とダウンロード
• 最新版へアップグレード
• 営業問合せ
教育機関向け
学生ライセンス
• 仮想化
• 学生ライセンス & 配布オプション
Maplesoft Elite Maintenance (EMP)
• EMP の概要
• EMP に関するFAQ
サポート&リソース
サポート
• 技術サポート & カスタマーサービス
• よくあるご質問(FAQ
• 製品資料
• 製品アップデートのダウンロード
製品のトレーニング
• 学生向けヘルプセンター
• オンライン製品トレーニング
• オンサイトトレーニング
オンライン製品ヘルプ
• Mapleオンラインヘルプ
• MapleSim オンラインヘルプ
Webセミナー
& イベント
• ライブWebセミナー
• 録画 Web セミナー
• 今後のイベント
出版物
• テクニカルホワイトペーパー
• Eメールニュースレター
• Maple 関連書籍
• Math Matters(そこに在る数理)
コンテンツ Hub
• 教員向けリソースセンター
• 学生向けヘルプセンター
• オンライン学習教材
事例とアプリケーション
• Maple アプリケーションセンター
• MapleSim モデルギャラリー
• ユーザ事例
• 工学基礎の探求
• Maple を用いた教育利用のコンセプト
コミュニティ
• MaplePrimes
• MapleCloud
• Maple Conference
会社情報
Maplesoftについて
• 会社概要
• マネジメント
• カスタマー
• パートナーシップとOEM
メディアセンター
• メディアリリース
• ユーザ事例
• メディア掲載
ユーザコミュニティ
• MaplePrimes
• Maple アンバサダープログラム
• Maple Conference
お問合せ
• グローバルのお問合せ先詳細
• キャリア
Home
製品
Maple
Maple Add-Ons
Maple Learn
Maple Calculator App
Maple Flow
MapleSim
MapleSim Add-Ons
コンサルティングサービス
オンライン教育製品
ソリューション
教育利用
産業分野
アプリケーション領域
購入
製品価格
購入
教育機関向け学生ライセンス
Maplesoft Elite Maintenance (EMP)
サポート&リソース
サポート
製品のトレーニング
オンライン製品ヘルプ
Webセミナー & イベント
出版物
コンテンツ Hub
事例とアプリケーション
コミュニティ
会社情報
Maplesoftについて
メディアセンター
ユーザコミュニティ
お問合せ
Toggle navigation
Sign in
Register
Submit your work
Application Center
Applications
Spread foundation design - EN 1997
Spread foundation design - EN 1997
Author
:
Takashi Iwagaya
0
Download
PDF Preview
This Application runs in Maple Flow.
Don't have Maple Flow? No problem!
Try Maple Flow free for 15 days!
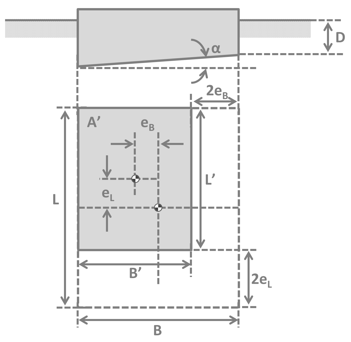
This document shows a design calculation to obtain the width of foundation based on EN 1997 - Eurocode 7. In the calculation, the minimum width of foundation is calculated in order to satisfy ULS with 3 design approaches.
Application Details
Publish Date
:
February 25, 2022
Created In
:
Maple Flow 2021
Language
:
English
Share
Copy URL
Tweet
This application is in the following
Collection
:
Civil Engineering
Add to a Collection
You must be logged in to add to a collection
Tags
civil
civil-engineering
structure
structural-engineering
More Like This
Valve Fundamental 2 - Compressible flow
Takashi Iwagaya
0
mechanicalengineering
thermodynamics
fluid-dynamics
Valve Fundamental 1 - Incompressible flow
Takashi Iwagaya
0
mechanicalengineering
thermodynamics
fluid-dynamics
Induction Motor Analysis for Start-up Protection
Takashi Iwagaya
0
electrical
Power Swing Analysis for Out-Of-Step Protection
Takashi Iwagaya
0
electrical
アナログフィルターのワーストケース解析
Takashi Iwagaya
1
electrical
electrical-engineering
circuit
Loss of Internal flow
Takashi Iwagaya
0
mechanicalengineering
thermodynamics
fluid-dynamics
Worst case analysis for Analog filter
Takashi Iwagaya
0
electrical
electrical-engineering
circuit
worst-case-circuit-analysis
wcca
Sensor interface design with Worst case analysis - Volume 1
Takashi Iwagaya
0
electrical
electrical-engineering
circuit
worst-case-circuit-analysis
wcca
ピラミッドホーン設計
Takashi Iwagaya
0
electrical
electrical-engineering
Sensor interface design with Worst case analysis - Volume 2
Takashi Iwagaya
0
electrical
electrical-engineering
circuit
worst-case-circuit-analysis
wcca
Use Optimization for Worst Case Analysis
Takashi Iwagaya
0
electrical
Worst Case Analysis - Three-Pin Regulator
Takashi Iwagaya
0
electrical
electrical-engineering
circuit
worst-case-circuit-analysis
wcca
×
Create a Collection
Name:
Description (optional):
Collections
×
Collections are user-defined, publicly available groups of applications. Add applications to your own Collections, and share them with other Maple users.