Application Center - Maplesoft

App Preview:

Thermal Efficiency of Steam Turbine Cycle NPP with PWR

You can switch back to the summary page by clicking here.

Learn about Maple
Download Application




Thermal Efficiency of  Steam Turbine Cycle NPP with PWR

Author: Valery Ochkov (http://twt.mpei.ac.ru/ochkov/v_ochkov.htm)

Introduction

 

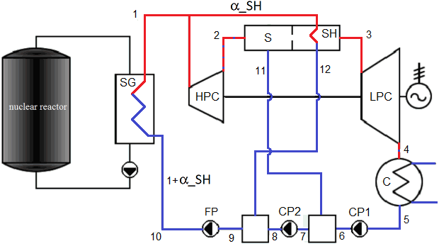
This application calculates the thermal efficiency of a steam turbine cycle in a Nuclear Power Plant (NPP) with a Pressure Water reactor (PWR).

 

Pressurized water flows from the nuclear reactor (NPP primary circuit) to the steam generator (SG) and transfers heat to the boiling water of the second circuit. Saturated steam is supplied from the steam generator to the high pressure cylinder (HPC) of the steam turbine. Part of the live steam from the steam generator enters the superheater. Before being superheated, the exhaust steam from the HPC is partially dried in the separator (S), where some water is separated from the wet steam, and then returned to the circuit with bypass of the low pressure cylinder (LPC) of the steam turbine.

 

The thermal circuit of an NPP introduces a risk factor not found in fossil fuel power plant. In an NPP, If saturated steam is supplied to a turbine, whose outlet pressure is 5-4 kPa, moisture in the last stages of the  turbine will be unacceptably high; this may lead to steam turbine failure.

Water Properties

 

Start

 

restart; with(ThermophysicalData); with(Units[Standard])

 

Water/steam Proterties

 

Specific enthalpy of water or steam as function of pressure and temperature

wspTSP := proc (P) options operator, arrow; Property(temperature, pressure = P, Q = 1, water) end proc

Specific enthalpy of steam on the saturated line as function of temperature

wspHSST := proc (T) options operator, arrow; Property(enthalpy, temperature = T, Q = 1, water) end proc

Specific entropy of steam on the saturated line as function of temperature

wspSSST := proc (T) options operator, arrow; Property(entropy, temperature = T, Q = 1, water) end proc

Specific enthalpy of water on the saturated line as function of temperature

wspHSWT := proc (T) options operator, arrow; Property(enthalpy, temperature = T, Q = 0, water) end proc

Specific entropy of water on the saturated line as function of pressure

wspSSWP := proc (P) options operator, arrow; Property(entropy, pressure = P, Q = 0, water) end proc

Specific enthalpy of water on the saturated line as function of pressure

wspHSWP := proc (P) options operator, arrow; Property(enthalpy, pressure = P, Q = 0, water) end proc

Vapor fraction of steam as function of pressure and specific enthalpy

wspXSPH := proc (P, H) options operator, arrow; Property(Q, pressure = P, enthalpy = H, water) end proc

Specific enthalpy of water or steam as function of pressure and temperature

wspHPT := proc (P, T) options operator, arrow; Property(enthalpy, pressure = P, temperature = T, water) end proc

Specific entropy of water or steam as function of pressure and temperature

wspSPT := proc (P, T) options operator, arrow; Property(entropy, pressure = P, temperature = T, water) end proc

Specific volume of water or steam as function of pressure and temperature

wspXPS := proc (P, S) options operator, arrow; Property(Q, pressure = P, entropy = S, water) end proc

Specific enthalpy of water or steam as function of temperature and vapor fraction

wspHSTX := proc (T, X) options operator, arrow; Property(enthalpy, temperature = T, Q = X, water) end proc

Temperature of water or steam as function of pressure and specific entropy

wspTPS := proc (P, S) options operator, arrow; Property(temperature, pressure = P, entropy = S, water) end proc

Specific enthalpy of water or steam as function of pressure and specific entropy

wspHPS := proc (P, S) options operator, arrow; Property(enthalpy, pressure = P, entropy = S, water) end proc

Temperature of water or steam as function of pressure and specific enthalpy

wspTPH := proc (P, H) options operator, arrow; Property(temperature, pressure = P, enthalpy = H, water) end proc

Functions for processes steam expansion and water compression

 

wspHEXPANSIONPPEFF := proc (p0, p1, eff) local t0, h0, s0, s1, t1, x1, h1; t0 := wspTSP(p0); h0 := wspHSST(t0); s0 := wspSSST(t0); s1 := s0; t1 := wspTSP(p1); x1 := wspXPS(p1, s1); h1 := wspHSTX(t1, x1); return h0-(h0-h1)*eff end proc

wspHEXPANSIONPTPEFF := proc (p0, t0, p1, eff) local h0, s0, s1, t1, x1, h1; h0 := wspHPT(p0, t0); s0 := wspSPT(p0, t0); s1 := s0; t1 := wspTPS(p1, s1); if Property(PhaseString, pressure = p1, entropy = s1, water) = "twophase" then x1 := wspXPS(p1, s1); h1 := wspHSTX(t1, x1) else h1 := wspHPT(p1, t1) end if; return h0-(h0-h1)*eff end proc

wspHCOMPRESSIONPPEFF := proc (p0, p1, eff) local h0, s0, s1, h1; h0 := wspHSWP(p0); s0 := wspSSWP(p0); s1 := s0; h1 := wspHPS(p1, s1); return h0+(h1-h0)/eff end proc

wspHCOMPRESSIONPTPEFF := proc (p0, t0, p1, eff) local h0, s0, s1, h1; h0 := wspHPT(p0, t0); s0 := wspSPT(p0, t0); s1 := s0; h1 := wspHPS(p1, s1); return h0+(h1-h0)/eff end proc

Input Data

 

p_1 := 6.2*Unit('MPa'); p_2 := .5*Unit('MPa'); p_4 := 4*Unit('kPa'); t_3 := 250*Unit('degC'); p_10 := (1+0.5e-1)*p_1; `η_i_HPC` := .89; `η_i_LPC` := .86; `η_i_p` := .8

 

Calculations

 

Steam parameters at the inlet to the HPC

t_1 := wspTSP(p_1); t_1-273.15*Unit('K')

277.7328922*Units:-Unit(`°C`)

(4.1)

h_1 := wspHSST(t_1)

2782.370471*Units:-Unit(kJ/kg)

(4.2)

Specific enthalpy water from Superheater (SH)

hw_1 := wspHSWT(t_1)

1225.057924*Units:-Unit(kJ/kg)

(4.3)

Steam parameters on the inlet to the separator (S)

t_2 := wspTSP(p_2); t_2-273.15*Unit('K')

151.8310791*Units:-Unit(`°C`)

(4.4)

hw_2 := wspHSWT(t_2)

640.0851269*Units:-Unit(kJ/kg)

(4.5)

s_2 := s_1

h_2 := wspHEXPANSIONPPEFF(p_1, p_2, `η_i_HPC`)

2394.007108*Units:-Unit(kJ/kg)

(4.6)

x_2 := wspXSPH(p_2, h_2)

.8320218824

(4.7)

The parameters at the inlet to the LPC

p_3 := p_2

h_3 := wspHPT(p_3, t_3)

2961.035156*Units:-Unit(kJ/kg)

(4.8)

Parameters at the end of the expansion process of steam in the LPC

t_4 := wspTSP(p_4); t_4-273.15*Unit('K')

28.9603790*Units:-Unit(`°C`)

(4.9)

h_4 := wspHEXPANSIONPTPEFF(p_3, t_3, p_4, `η_i_LPC`)

2298.679010*Units:-Unit(kJ/kg)

(4.10)

x_4 := wspXSPH(p_4, h_4)

.8951644538

(4.11)

Parameters on the outlet of the condenser (C)

h_5 := wspHSWP(p_4)

121.3879295*Units:-Unit(kJ/kg)

(4.12)

The share of steam extraction in the separator (S)

`α_SH` := solve(h_1*`α_SH`+h_2 = (1-x_2)*hw_2+`α_SH`*hw_1+x_2*h_3, `α_SH`)

.1137595862

(4.13)

 

p_5 := p_4

Specific enthalpy water at the outlet of the condenser pump 1 (CP1)

h_6 := wspHCOMPRESSIONPPEFF(p_5, p_2, `η_i_p`)

122.0104042*Units:-Unit(kJ/kg)

(4.14)

 

Specific enthalpy water at the inlet of the condenser pump 2 (CP2)

h_7 := solve(x_2*h_5+(1-x_2)*hw_2 = h_7, h_7)

208.5177083*Units:-Unit(kJ/kg)

(4.15)

 

Water temperature at the inlet of the condenser pump 2 (CP2)

t_7 := wspTPH(p_2, h_7); t_7-273.15*Unit('K')

49.7022831*Units:-Unit(`°C`)

(4.16)

 

Specific enthalpy water at the outlet of the condenser pump 2 (CP2)

h_8 := wspHCOMPRESSIONPTPEFF(p_2, t_7, p_1, `η_i_p`)

215.7180628*Units:-Unit(kJ/kg)

(4.17)

Water temperature at the outlet of the condenser pump 2 (CP2)

t_8 := wspTPH(p_1, h_8); t_8-273.15*Unit('K')

50.2510776*Units:-Unit(`°C`)

(4.18)

 

Specific enthalpy water at the inlet of the feed pump (FP)

h_9 := solve(hw_1*`α_SH`+h_8 = (1+`α_SH`)*h_9, h_9)

318.8122013*Units:-Unit(kJ/kg)

(4.19)

Water temperature at the inlet of the feed pump (FP)

t_9 := wspTPH(p_1, h_9); t_9-273.15*Unit('K')

74.9548161*Units:-Unit(`°C`)

(4.20)

Specific enthalpy of feed water

h_10 := wspHCOMPRESSIONPTPEFF(p_1, t_9, p_10, `η_i_p`)

319.2085704*Units:-Unit(kJ/kg)

(4.21)

Specific pumps work

w_p := x_2*(h_6-h_5)+h_8-h_7+(1+`α_SH`)*(h_10-h_9)

8.159726957*Units:-Unit(kJ/kg)

(4.22)

Specific work of the HPC

w_HPC := h_1-h_2

388.3633630*Units:-Unit(kJ/kg)

(4.23)

Specific work of the LPC

w_LPC := x_2*(h_3-h_4)

551.0948074*Units:-Unit(kJ/kg)

(4.24)

Specific heat of the Steam Generator (SG)

q_SG := (1+`α_SH`)*(h_1-h_7)

2866.653188*Units:-Unit(kJ/kg)

(4.25)

Answer

 

Hence the thermal efficiency

`η_T` := (w_HPC+w_LPC-w_p)/q_SG

.3248730775

(5.1)