Application Center - Maplesoft

App Preview:

MIT Servo

You can switch back to the summary page by clicking here.

Learn about Maple
Download Application


 

MITServo.mw

M.I.T. SERVO

2001  J.M. Redwood.

Revised 4 December 2004.

Synopsis

 This worksheet derives the loop transfer function of a tacho feedback compensated servo.  It then plots the servo's Nyquist diagram, Bode diagrams, and closed loop responses to sinusoidal and unit step inputs with servo constants chosen to minimize noise in the input.

Licence

 This worksheet and the package of procedures entitled "Bode2", may be used, adapted, or copied, provided that copyright is acknowledged and the whole of this Licence section is included in any copies, or adaptations, of the worksheet, or of the package.

 This worksheet and the "Bode2" package may be used for educational purposes free of charge.

 Commercial users are not required to pay a licence fee for this worksheet, or for the "Bode2" package.  Instead, they are requested to make a donation to Cancer Research UK, National Office, 61 Lincoln's Inn Fields, LONDON, WC2A 3PX, UK.  The donations line telephone number is +44 (0)20 7009 8820; the Fax number is  +44 (0)20 7269 3100; and the E-mail address is "customerservices@cancer.org.uk".  The size of donation is left to the user's discretion.

 This worksheet and associated  "Bode2" package of procedures are offered without warranty of any kind whatsoever.   

 

Resources

 This worksheet uses significant computer resources.  If necessary, the user should separate the worksheet into manageable portions, comprising the section on the Loop Transfer Function plus one, or two, other sections, e.g. Loop Transfer Function and Bode Diagrams.  Copying the block diagram to a different file, and then deleting it from the worksheet may also help to free resources.

Historical

 C.H. Dowker used R.S. Phillips' "RMS-Error Criterion" to carry out this classic design while they were at the M.I.T. during World War II.  The design minimised the effect of noise while obtaining the best response to the signal from an aircraft-tracking radar.  The details are described in Chapter 8 of the reference.  Based on this design, and on another also described in Chapter 8, C.H Dowker suggested a simple design rule that produced the optimum performance, without needing to repeat the detailed calculations for minimising the RMS error.

Introduction

 The servo described in this worksheet formed part of an automatic aircraft-tracking radar in World War II that was used by C.H. Dowker in his work on minimizing the effect of noise.  The servo's input was a signal proportional to the angular error between the centre of the radar beam and the aircraft.  Naturally, the signal contained a great deal of noise generated by changes in the radar signal caused by random changes in radar propagation and reflection from the aircraft's surfaces.  By appropriate choice of the servo's constants, Dowker found that it was possible to minimize the effect of noise on the servo while obtaining good performance from it.  Chapter 6 of the reference gives the method used by Dowker for obtaining the best choice of servo constants.

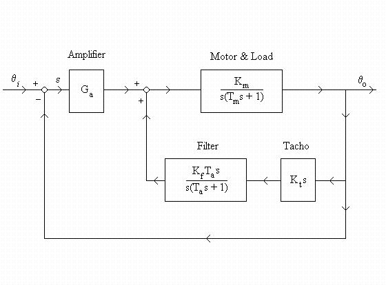
 This worksheet obtains the loop transfer function of the proportional control servo with tacho feedback compensation, as shown in the block diagram.  The servo's constants, derived by C.H. Dowker at equations 87, 89 and 90 in Chapter 8 of the reference, are then inserted in the loop transfer function.  These are the constants needed to minimize the effect of noise while producing the best response from the servo.   The loop transfer function is then plotted in Nyquist diagrams and in Bode attenuation and phase margin diagrams, which yield parameters describing the servo's closed loop stability and performance.  Plots showing the servo's frequency response, peak magnification, damped natural frequency and bandwidth are produced, together with transient responses to unit step functions of input position and of velocity.  Important operational parameters are obtained from these plots.

 The nomenclature used in the reference has been preserved in this worksheet as far as possible, so that the reader can move easily from one to the other.

 The block diagram shown at Figure 8.4 of the reference, in slightly different form, has been inserted into this worksheet as an OLE2 object (or as an image in the Standard interface).

Block diagram

[Inserted Image]

                                                        

Definitions

q i  is the angular input to the servo (also known as R, the reference input).

q o  is the angular output from the servo (also known as C, the controlled output).

epsilon is the error between the input and output = q i - q o (= R - C).

Loop Transfer Function

Initialisation

  The "Bode2" package will be required for plotting the Bode attenuation and phase margin diagrams.  It is also necessary to call the "plots" package and to change the imaginary unit to j, instead of I.  It is also convenient to define some settings that will be used in the various plots.

> restart:

> with(plots):  with(inttrans): with(Bode2): interface(imaginaryunit=j):

Warning, the name changecoords has been redefined

Loop Transfer Function

 By inspection, the inner loop transfer function (from amplifier output to the servo's output) is

Yi(s) = Yf(s)/(1+Yf(s)*Yfb(s))  

where Yf(s) is the forward loop transfer function = Km/s*(T[m]*s+1) , and

Yfb(s) is the feedback loop transfer function = Kt*s*Kf*T[a]*s/(T[a]*s+1) (also referred to as H).

 By definition, the loop transfer function for the servo is, Y(s) = theta*o(s)/epsilon(s)   =  Ga*Yi(s)

 It is convenient to abbreviate Y(s) to Y, and similarly for the other loop transfer functions.

> Yi := Yf/(1 + Yf*Yfb);

> Yf := Km/(s*(Tm*s + 1));

> Yfb := (Kt*s)*(Kf*Ta*s/(Ta*s + 1));

> Y := Ga*Yi;

Yi := Yf/(1+Yf*Yfb)

Yf := Km/(s*(Tm*s+1))

Yfb := Kt*s^2*Kf*Ta/(Ta*s+1)

Y := Ga*Km/(s*(Tm*s+1)*(1+Km*s*Kt*Kf*Ta/((Tm*s+1)*(Ta*s+1))))

From the block diagram, the gain of the tacho loop is seen to be Kt*Kf = A .  Substituting this in Y, and collecting terms in s,  

> Y := collect(algsubs(Kt*Kf=A,Y),s);

Y := Ga*Km*(Ta*s+1)/(s*(1+Tm*s^2*Ta+(Km*Ta*A+Tm+Ta)*s))

This is the final symbolic form of the loop transfer function, before substituting values for the gains and time constants.

Steady State Error

 At this point, it is convenient to determine the steady state error in response to a constant velocity input, Omega .  From the block diagram,

> epsilon(s) := 'theta[i](s)/(1+Y)';

epsilon(s) := theta[i](s)/(1+Y)

  The Laplace transform of theta[i](t) = Omega*t is theta[i](s) = Omega/s^2 .  Hence,

    

> epsilon(s) := eval(subs(theta[i](s)= Omega/s^2,epsilon(s)));

epsilon(s) := Omega/(s^2*(1+Ga*Km*(Ta*s+1)/(s*(1+Tm*s^2*Ta+(Km*Ta*A+Tm+Ta)*s))))

 The steady state error is obtained by using the final value theorem of the Laplace transformation,

                 

                                                                                       ss error =Limit(epsilon(t), t = infinity) =limit(s*epsilon(s), s = 0) .      

                 

> `ss error` := limit(s*epsilon(s),s=0);

`ss error` := Omega/(Ga*Km)

System Constants & Loop Transfer Function

 The system constants were chosen as follows (see equations 87, 89 and 90 in Chapter 8 of the reference)

              A  =  Tacho loop gain   =  Kt Kf  =  14,

                           where   Kt  =  Tacho Gain  and  Kf  =  Filter Gain (Attenuation),         

             Ta  =  Tacho filter time constant  =  0.252 second,

            Tm  =  Motor (including load) time constant  =  Jm/fm  =  0.316 second,

                           where  Jm  =  motor and load inertias and   fm  =  viscous friction and back e.m.f.

            Ga  =  Amplifier Gain    Error Measuring Device Gain  =  158 volts/radian,

           Km  =  Motor Gain  =  radian/sec/volt,

            Kv  =  Ga x Km  =  Velocity error coefficient for the servo  =  158/second.

(Note.    In this case the motor gain Km is unity, so Kv is numerically equal to Ga, the amplifier gain.)

 Assigning these values,

> A := 14: Ga := 158: Km := 1: Ta := 0.252: Tm := 0.316: Kv := Ga*Km:

> Y := Y;

Y := 158*(.252*s+1)/(s*(1+0.79632e-1*s^2+4.096*s))

 

 The loop transfer function in the frequency domain, Y(f),  is

> `Y(f)` := subs(s=j*omega,Y);

`Y(f)` := -158*I*(.252*I*omega+1)/(omega*(1-0.79632e-1*omega^2+4.096*I*omega))

Nyquist Diagram

Nyquist Diagram

 The loop transfer function Y(f) is plotted on the Nyquist diagram as follows,

> p1 := complexplot(`Y(f)`,omega=3..1000,color=BLUE):

> p2 := plot([[-1,0]],style=POINT,symbol=circle,symbolsize=14,color=BLACK):

> p3 := coordplot(polar,[0..1,Pi/2..3*Pi/2],grid=[5,13],color=[RED,RED],linestyle=[1,2]):

> display([p1,p2,p3],title="Nyquist Diagram");

[Plot]

 The Nyquist point, [-1, j0] , is shown on the diagram surrounded by a small black circle, for ease of identification.  The loop transfer function shows a phase margin of slightly less than 60 degrees at feedback cutoff (unity magnitude), which indicates a very stable - possibly overdamped - system.

Closed Loop Frequency Magnification

The peak magnification, M, of the closed loop frequency response is obtained by plotting a circle of radius M/(M^2-1) , with its centre at -M^2/(M^2-1) on the real axis of the Nyquist diagram, so that it just touches the loop transfer function.  The loop transfer function's phase margin of nearly 60 degrees suggests that the peak magnification of the closed loop frequency will be in the region of 1.2 - 1.3, so four M circles are plotted on the Nyquist diagram thus

> M := [1.2,1.25,1.3,1.35]:

> x := seq((-M[i]^2/(M[i]^2-1) + M[i]/(M[i]^2-1)*cos(theta)),i=1..4):

> y := seq((j*M[i]/(M[i]^2-1)*sin(theta)),i=1..4):

> p := seq(complexplot(x[i]+y[i],theta=0..2*Pi,color=BLACK),i=1..4):

> display(p1,p2,p, scaling=constrained, title="Nyquist Diagram with Magnification Circles\nM = 1.2, 1.25, 1.3, 1.35" );

[Plot]

 As proc (M) options operator, arrow; 1 end proc , the radius of the M circle increases and its centre approaches -infinity , with the circle becoming a vertical line through the Nyquist point.  Noting that the loop transfer function runs between the second and third largest circles, it will touch a circle with M between 1.25 and 1.3.  Choosing M = 1.27, and plotting again,

> M := 1.27:x := -M^2/(M^2-1) + M/(M^2-1)*cos(theta):

> y := j*M/(M^2-1)*sin(theta):

> p := complexplot(x+y,theta=0..2*Pi,color=BLACK):

> display( [p1,p2,p], scaling=constrained, title="Nyquist Diagram with Magnification Circle M = 1.27");

[Plot]

 The peak magnification, M[peak] , of the closed loop frequency response is seen to be 1.27.  This agrees with equation 109 in Section 8.8 of the reference.

> unassign('p1','p2','p3','p','x','y','M');

Bode Diagrams

Attenuation & Phase Margin Diagrams

 The Bode diagrams, i.e. the loop gain of the transfer function, Y(f), together with the asymptotic straight-line approximations, and the phase margin plotted against normalised frequency, omega*T , are produced by procedures in the "Bode2" package.  These procedure accept the loop transfer function expressed as a function of the Laplace operator, s, or as a function of the complex frequency.  The latter is used in this worksheet for ease of comparison with the transfer functions as shown in the reference.

 To obtain the straight-line asymptotic approximations, the denominator of the loop transfer function must be factored, thus

> `factored Y(f)` := numer(`Y(f)`)/factor(denom(`Y(f)`),complex);

`factored Y(f)` := 1984.126984*I*(.252*I*omega+1)/(omega*(omega-.2453105557*I)*(omega-51.19129784*I))

 

 The procedure for the straight-line approximation assumes that the loop transfer function is expressed in canonical form with gain K in the numerator, (j*omega)^N in the denominator, and only terms of the form [j*omega*T[a]+1] in the numerator and denominator.  In this case, N = 1 and the only time constant in the numerator is 0.252.  To reduce the denominator to the canonical form, it must be divided by the product 0.2453105557 51.19129784, yielding two time constants 1/Float(2453105557, -10)  and 1/Float(5119129784, -8) .  The numerator must also be divided by this product, which results in K = 158.

 This is the value of Kv shown in equations 87, 89 and 90 of the reference.  It is worth noting that for a Type 1 servo, provided its loop transfer function is expressed in canonical form, K is the velocity error coefficient.  It is normally shown as Kv and has the units of 1/sec.

 The straight-line approximations (shown in red) can be superimposed on the loop gain (shown in blue) by using the "display" command.

> display(attensemilog(`Y(f)`,.01,100),
       linesemilog(158,1,[.252],[1/.2453105557,1/51.19129784],.01,100));

[Plot]

 The gain Kv = 158 is shown by the intercept of the initial -6dB/octave slope of the loop gain with the omega*T = 1 axis at 42dB = 158.  Feedback cutoff (also known as gain crossover) occurs about 1/3 the way down a -6dB/octave slope, at about omega*T = Kv/A  = 10.  (Or, since the normalizing time constant, T, is 1 second, omega = Kv/A*T  = 10/sec.)

 The phase margin is plotted thus,

> Y(f);

158*(.252*s(f)+1)/(s(f)*(1+0.79632e-1*s(f)^2+4.096*s(f)))

  The big increase in phase margin between omega = 1/Ta = 4/second and omega = A/Tm = 44/second is caused by the tacho feedback loop producing a long -6dB/octave attenuation between these frequencies.

Improved Phase Margin Diagram

  The shapes of the Bode diagrams above with semilog scales, particularly that for phase margin, are rather distorted below about omega*T  = 0.1.  (This is a known problem with Maple's semilog plots - see Robert Israel's Maple Advisor.)  The diagrams can be improved by using the  "attenlog" and "phaselog" procedures in the Bode2 package, which plot the loop gain and phase margin against log10(omega*T) .  For example,

> phaselog(`Y(f)`,.01,100);

[Plot]

> unassign('omega');

Closed Loop Response

Closed Loop Transfer Function

The closed loop transfer function, or system response, is given by

                                                  theta*o(s)/theta*i(s) = C(s)/R(s) = Y(s)/(1+Y(s))   

 Again abbreviating Y(s) to Y and similarly for C(s)/R(s) ,

  

> `C/R` := Y/(1 + Y):

> `C/R` := factor(`C/R`);

`C/R` := 12.55776572*(39.81600000*s+158.)/((s+39.81466812)*(s^2+11.62194028*s+49.83407066))

 The closed loop transfer function in the frequency domain, C/R(f), is

> `C/R(f)` := subs(s=j*omega,`C/R`);

`C/R(f)` := 12.55776572*(39.81600000*I*omega+158.)/((I*omega+39.81466812)*(-omega^2+11.62194028*I*omega+49.83407066))

Closed Loop Frequency Response

 The closed loop frequency response is usually plotted as magnitude in dB against log10(omega*T) thus,

> Freq_resp := 20*log10(simplify(abs(`C/R(f)`))):

> omega := 10^w:

> p := plot(Freq_resp,w=-1..1.5,-10..3,labels=["log10 (omega T )",""],title="Closed Loop Servo Frequency Response \n Magnitude dB"):

> q := pointplot([[-1,-3],[1.5,-3]],connect=true,colour=black,linestyle=2):

> display(p,q);

[Plot]

> unassign('omega');

 Using the cursor, the plot shows that the peak magnification is 2.05 dB, or M[peak] = 10^(Float(205, -2)/20) = 1.27, occurring at the servo's damped angular natural frequency.  This is given by log10(omega[d]*T) = Float(73, -2) , i.e. omega[d] = 5.4/second (the normalizing constant, T, having been chosen as 1 second).  The plot also shows that feedback cutoff, or gain crossover, frequency is given by log10(omega*T) = Float(102, -2) , i.e. w = 10.5/second.  The peak magnification and feedback cutoff (or gain crossover) frequency agree well with those found from the Nyquist diagram and the Bode attenuation diagram respectively.

 The peak magnification and the frequency at which it occurs can be found algebraically as follows.  A function C/R(a) is obtained by substituting alpha = omega in C/R(f).  From this function, the maximum value of C/R(f) can then be found thus,

> `C/R(alpha)` := map(abs, subs(omega=alpha,`C/R(f)`) ):

> `C/R max` = maximize(`C/R(alpha)`,location,alpha=3..10);

`C/R max` = (1.262087188, {[{alpha = 5.434657607}, 1.262087188]})

 This shows that the maximum value of C/R(f) is 1.262 and is located at omega*T = Float(5435, -3) , demonstrating that using the cursor is sufficiently accurate for practical purposes.

 As measured with the cursor, the magnitude of the servo's frequency response falls to -3 dB at omega[c] = 15.5/sec.  This frequency is known as the servo's cutoff frequency (not to be confused with the feedback cutoff frequency).  In this case, the servo's bandwidth extends from the very lowest input frequency - an input of "zero frequency" - up to the cutoff frequency.  That is, the bandwidth is 15.5/sec.  The precise value can be extracted from C/R(a), thus

> omega[c]*T = fsolve( `C/R(alpha)`=10^(-3/20), alpha,0..40);

omega[c]*T = 15.63972124

 The greater a servo's bandwidth, the faster its response, but the less the attenuation of any noise in the input.

> unassign('omega','alpha');

Response to Unit Step Displacement

 The servo's response to a unit step function of displacement is given by Output(s) = theta*o(s) = `C/R`(s)/s .  Abbreviating C/R(s) to C/R, the servo's response in the time domain to a unit step function of displacement, theta*o = C = `C/R`/s , is obtained using the inverse Laplace transform.  Since the input is 1 radian, the servo's normalized response is obtained by dividing by 1 radian.  The time axis is normalized by dividing by T = 1 sec, so that the plot is completely free of dimensions.

  

> `C/R step disp` := invlaplace(`C/R`/s,s,t):

> p := plot(`C/R step disp`/1,t=0..1,labels=["t/T","C/R"],
title="Normalized Response to Unit Step Displacement", colour=blue):

> q := plot([[0.02,0.08],[0.13,1.0]],style=LINE, colour=red):

> r := plot(1,t=0..1,linestyle=DOT, colour=black):

> display(p,q,r);

[Plot]

 From the transient response plot above:

a.  the peak of the transient response is 1.21 (i.e. 21% overshoot), which is roughly the same as the peak magnification of the frequency response (1.27).

b.  the response time - i.e. time to reach peak of the transient - is 0.3 second.

 These can be obtained analytically

 

> zero := diff(`C/R step disp`,t):

> `Max overshoot at t/T` := fsolve(zero=0,t,0.1..0.4);

> `Max overshoot` := eval(`C/R step disp`,t=`Max overshoot at t/T`);

`Max overshoot at t/T` := .3136476220

`Max overshoot` := 1.208911907

 This demonstrates that using the cursor is accurate enough for most practical purposes.

 The maximum slope of the response, judged by eye, is shown by the red line on the plot.  The reciprocal of its slope gives an indication of the time for the response, i.e. C/R, to reach 1.0, and is known as the build-up, or rise, time.

> `build-up time` := evalf((0.13 - 0.02)/(1.0 - 0.09),3);

`build-up time` := .121

 This can be obtained analytically,

> inflect := diff(`C/R step disp`,t,t):

> tim := fsolve(inflect=0,t,0..0.2):

> `build-up time` := 1/(eval( diff(`C/R step disp`,t), t=tim));

`build-up time` := .1193503000

 Again, using the cursor is accurate enough.

Response to Unit Step of Velocity

The servo's response to a unit step input of velocity is given by Output(s) = theta*o(s) = `C/R`(s)/s^2 .  Abbreviating, theta[o] = C = `C/R`/s^2 .  Whence the servo's response in the time domain is obtained using the inverse Laplace transform.  Again, the time axis is normalized by dividing it by T = 1 sec, while the response is normalized by dividing it by the input's (angular) position, R.  That is, theta[o] = C is divided by theta[i] = R = velocity t = 1 radian/sec t sec = t radian, thus,

 

> `vel step resp` := (invlaplace(`C/R`/s^2,s,t))/ t:

> p := plot(`vel step resp`,t=0..3/2,labels=["t/T","C/R"],
title="Normalized Response to Unit Step of Input Velocity" ):

> q := plot(1,t=0..3/2,linestyle=DOT,colour=black):

> display(p,q);

[Plot]

 The plot shows that the servo's normalized (position) response to a unit step input of velocity approaches unity smoothly and without any overshoot, reaching 0.99 at t/T = 0.8.  This fast, "pursuit" response is ideal for a tracking radar's servo that has to follow targets with rapidly changing velocities.

 

 The response, theta[o] = C , to a unit step input of velocity is simply the normalized response shown above, multiplied by the normalizing factor R = 1 radian/sec t sec, and is shown below.

> p := plot(`vel step resp`*t,t=0..1, colour=blue ):

> q := plot(1*t,t=0..1,colour=red):

> display(p,q,title = "Response (blue) to Unit Step Input (red) of Velocity",labels=["t/T","C & R"]);

[Plot]

 The input = theta[i] = R = 1 radian/sec t is shown by the straight line on the plot.

 The error when responding to a unit step input of velocity is epsilon = theta[i]-theta[o] = R-C and is shown below

> plot( 1000*(1 - `vel step resp`)*t, t=0..3/2,title="Error of Response to Unit Step Input of Velocity", labels=["t/T","1000 Error"],labeldirections=[horizontal,vertical] );

[Plot]

 The error falls to a minimum of 5.8 milliradians (mils) between t/T = 0.9 and t/T = 1.1, and then increases slowly to its steady state value.  Earlier this was shown to be `ss error` = Omega/(Ga*Km) = Omega/Kv .  In this case, W = 1 radian/sec.

> `ss error` := evalf(eval(`ss error`,Omega=1));

`ss error` := 0.6329113924e-2

 The design requirements included a maximum angular velocity input of 0.5 radian/second, generated by an aircraft flying at 150 yards/second (307 mph), which corresponds to the aircraft passing 300 yards away from a radar antenna controlled by the servo.  (See Section 6.12 in Chapter 6 of the Reference).  As noted above, the error increases slightly after t/T = 0.9, so the worst case tracking error will be obtained by using the steady state tracking error and the maximum input of 0.5 radian/sec.  Since the steady state error is the response to a unit step input of 1 radian/sec, the worst case tracking error with an input of 0.5 radian/second would have been:

> `Tracking Error` := evalf(`ss error`/2*(300*yards),3);

`Tracking Error` := .950*yards

 In fact, the maximum tracking error at any range, r(t), is given by Omega(t)*r(t)/Kv .  Noting that the maximum angular input velocity occurs when the aircraft flies on a course perpendicular to the radar's beam, Omega(t)[max] = V(t)/r(t) , whence maximum tracking error = V(t)/Kv .           

>

Observations

Servo

Summary

a.   The loop transfer function plotted on the Nyquist Diagram shows that the peak magnification of the frequency response, or resonance, is 1.27.  This is the same as the approximate value given by equation 109 in Section 8.8 of the reference.

b.  The Bode charts of the loop gain and loop phase margin show a very big phase margin of 59 degrees at feedback cutoff (gain crossover), indicating a very stable closed loop system, even with the large value of the velocity error coefficient, Kv = 158/second.  Kv is readily measured as the intercept of the initial -6dB/octave slope of the loop gain with the omega*T = 1 axis at 42dB = 158.

c.  The servo's closed loop frequency response indicates a peak magnification of 1.27, as does the Nyquist Diagram, and a damped angular natural frequency of 5.4/second.

d.  The servo's closed loop response to a unit step input shows a peak transient response of 1.21 (i.e. 21% overshoot), a build-up time of 0.12 second, and a response time of 0.3 second.  Although the servo's transient response might appear somewhat overdamped, this was necessary to minimise the response to noise generated by the radar, while still obtaining the best response to the radar's error signal when tracking an aircraft.  (The error signal corresponds to the difference between the axis of the radar's beam and the aircraft target.)

e.  The peak transient overshoot of 1.21 in response to a unit step input of position, is roughly the same as the peak magnification of the frequency response, 1.27.

f.   The servo's error, in response to a unit step velocity input, is ideally smooth and becomes constant at 6.33 milliradians after about 1.5 second.  (This corresponds to 0.95 yards when tracking a WW II aircraft flying at 307 mph past the radar antenna situated 300 yards from the flight path.)

g.  A root-locus is not included in this worksheet, since it adds nothing to the information given by the other plots, and could be slightly misleading.  It is, perhaps, worth remembering that the root-locus method was originally introduced into servomechanism analysis and design as a method for finding the roots of complicated transfer functions, and thence establishing the closed loop response to step inputs.  A PC with suitable software, such as Maple, now performs that function very much better.

Design Rule

h.  C.H. Dowker concluded that the best performance for a servo with proportional control would always be obtained by adjusting the loop gain (Kv), so that feedback cutoff (gain crossover) occurs one third the way down a long -6 dB/octave portion of the loop transfer function.  This gives the best response to the signal, while minimising the effect of noise.  (For adequate phase margin, the -6 dB/octave portion should always be at least 2.5 octaves long, and in this example, it was 3.5 octaves long.)

Maple

a.   Maple makes light work of obtaining the loop transfer function and then plotting the Nyquist diagram, Bode diagrams, closed loop frequency response, and transient responses to step inputs of position and of velocity.  It is all too easy to forget that before the advent of the PC and Maple, this work used to be both demanding and time consuming.

b.  The cursor provides a quick and adequately accurate means for obtaining values from the plots, for example maximum overshoot from the plot of transient response to a step function of input displacement.  This is a very useful feature for servo design work.

c.  At small values of the independent variable, the "semilogplot" command produces rather distorted plots.  This has been commented upon in Robert Israel's Maple Advisor.  However, the problem can be overcome as demonstrated above.  Similarly, the "maximize" command is not always successful - it failed when trying to obtain the maximum overshoot of the servo's response to a position step input.  This was simply overcome as shown above.  Robert Israel's Maple Advisor database contains a function that can be used in place of "maximize".

d.  Although the "coordplot(polar)" grid was used successfully for the Nyquist diagram above, it is somewhat restrictive, and a more versatile version would be useful for servo design and analysis.

Reference

Theory of Servomechanisms by Hubert M. James, Nathaniel B. Nicholls, and Ralph S. Phillips, Volume 25 of the Massachusetts Institute of Technology Radiation Laboratory Series, published by the McGraw-Hill Book Company, Inc. in 1947.  See particularly Sections 8.3 - 8.5, end of 8.7, and
8.8 - 8.9 in Chapter 8.

Legal Notice: The copyright for this application is owned by the author(s). Neither Maplesoft nor the author are responsible for any errors contained within and are not liable for any damages resulting from the use of this material. This application is intended for non-commercial, non-profit use only. Contact the author for permission if you wish to use this application in for-profit activities.