CRCR Gear - MapleSim Help
For the best experience, we recommend viewing online help using Google Chrome or Mozilla Firefox.

Online Help

All Products    Maple    MapleSim


CR-CR Gear

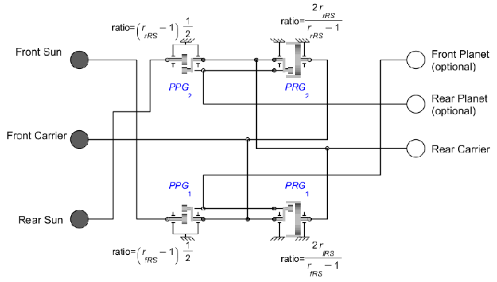
CR-CR Gear component

                     

 

The CR-CR Gear (Carrier/Ring – Carrier/Ring) component is composed of two planetary gear sets (rear and front). The carrier of the front planetary gear is connected to the ring gear of the rear planetary gear and vice versa. The gear ratios are uniquely defined by specifying the rear and front planetary gears Ring to Sun ratios.

This compound planetary gear set is constructed from four gear pairs; two Ring Planet gears, and two Planet Planet gears as shown in the diagram below.

 

Internal Structure

 

 

 

 

Internal Settings

Component

PPG1

PRG1

PPG2

PRG2

rrR/S , rfR/S

rO/I  = rfR/S  12

rR/P  =   2 rfR/SrfR/S  1

rO/I  =  rrR/S  12

rR/P  =  2 rrR/SrrR/S  1

ideal=true

ideal=true

ideal=true

ideal=true

ideal=true

ideal=false

same loss data=true

 

ηω, d

ideal=false

ηωI/C = ηω

 

d = d

ideal=false

ηωR/C = ηω

 

d = 0

ideal=false

ηωI/C = ηω

 

d = d

ideal=false

ηωR/C = ηω

 

d = 0

ideal=false

same loss data= false

ηrP/SωrS/C, ηrR/PωrR/CηfP/SωfS/C, ηfR/PωfR/C

drP/C , dfP/C

ideal=false

ηωI/C =  ηfP/SωfS/C

 

d =dfP/C

ideal=false

ηωR/C =  ηfR/PωfR/C

  d = 0

ideal=false

ηωI/C =  ηrP/SωrS/C

 

d =drP/C

ideal=false

ηωR/C =  ηrR/PωrR/C

 

d = 0

   

 

 

Connections 

Name

Condition

Description

ID

front carrier fC same as rear ring

Front Carrier flange

front_carrier

rear carrier rCsame as front ring

Rear Carrier flange

rear_carrier

front sun fS

-

Front Sun flange

front_sun

rear sun (rS)

Rear Sun flange

rear_sun

front planet fP

planet port=true

Front planet flange

front_planet

rear planet rP

planet port=true

Rear planet flange

rear_planet

Loss Power

ideal=false

Conditional real output port for power loss

lossPower

 

Parameters

Symbol

Condition

Default

Units

Description

ID

ideal

-

true

-

Defines whether the component is:

true - ideal or

false - non-ideal

ideal

data source

ideal=false

GUI

-

Defines the source for the loss data:

• 

entered via GUI [GUI]

• 

by an attachment [attachment]

• 

by an external file [file]

datasourcemode

same loss data

ideal=false

true

-

Defines whether one efficiency data table is used for all meshing loss calculations [same loss data=true] or the efficiency of each meshing gear pair is given by a separate data table [same loss data=false].

SameMeshingEfficiency

rrR/S

-

2

-

Rear ring/Rear Sun Gear ratio

ratio2

rfR/S

2

Front Ring/Rear Sun Gear ratio

ratio1

npl

ideal=false

1

Number of planet pair gears for both front and rear planetary gears

numberofPlanets

ηω

ideal=false

 

same loss data = true 

 

data source = GUI

  0,1,1 

rads,,

Defines all velocity dependant meshing efficiencies.

The columns:

[ω     (η1 (ω )     η2 (ω )]

Five options are available:

• 

1 by 1 array:

Entered value is taken as the constant efficiency for forward and backward cases

η1 (ω ) = η2 (ω ) = η

• 

1 by 2 array:

First entered value is taken as the constant efficiency for forward case and the second for backward cases

η1 (ω )= η1 , η2 (ω ) = η2

• 

1 by 3 array:

First column is ignored and the second and third values are taken as constant efficiencies for forward and backward cases, respectively

• 

 n by 2 array:

2nd column is forward and backward efficiency

η (ω) = η1 (ω ) = η2(ω )

• 

n by 3 array:

2nd column is forward efficiency

η1 (ω)

3rd column is backward efficiency

η2 (ω )

meshinglossTable5

ideal = false

 

same loss data = true 

 

data source = attachment

- 

 

 

 

 

 

 

 

Defines velocity dependant meshing efficiency

First column is angular velocity (ω)

(See col η below)

data5

ideal = false

 

same loss data = true 

 

data source = attachment or file 

- 

fileName5

col η

ideal = false

 

same loss data = true

 

data source = attachment or file

 

  2,3

 

-

Defines the corresponding data columns used for forward efficiency (η1) and backward efficiency (η2 )

Two options are available:

• 

1 by 1 array:

Data column corresponding to the column number is used for both forward and backward efficiency η=η1 = η2 

• 

1 by 2 array:

Data column corresponding to the first column number is used for forward efficiency ( η1) 

and data column corresponding to the second column number is used for backward efficiency ( η2)

columns5

ηrR/PωrR/C

ideal = false

 

same loss data = false 

 

data source = GUI

  0,1,1 

rads,, 

Defines rear Ring/rear Planet velocity dependant meshing efficiency as a function of ωrR/C .

The columns are:

[ωrR/C     (η1(ωrR/C )     η2(ωrR/C )]

First column is angular velocity of the ring gear w.r.t. the carrier (ωR/C)

Five options are available:

• 

1 by 1 array:

Entered value is taken as the constant efficiency for forward and backward cases

η1(ωrR/C ) = η2ωrR/C = η

• 

1 by 2 array:

First entered value is taken as the constant efficiency for forward case and the second for backward cases

η1(ωrR/C ) = η1 , η2(ωrR/C ) = η2

• 

1 by 3 array:

First column is ignored and the second and third values are taken as constant efficiencies for forward and backward cases, respectively.

• 

 n by 2 array:

Second column is forward and backward efficiency

η (ωrR/C ) = η1 (ωrR/C ) = η2 (ωrR/C )

• 

n by 3 array:

Second column is forward efficiency

η1 (ωrR/C )

Third column is backward efficiency

η2 (ωrR/C )

meshinglossTable2

ideal = false

 

same loss data = false 

 

data source = attachment

 

 

 

- 

 

 

 

 

 

Defines the velocity dependent meshing efficiency

First column is angular velocity (ωrR/C )

(See col ηrR/P below)

 

 

 

data2

ideal = false

 

same loss data = false 

 

data source = file

 

 

-

 

 

fileName2

col ηrR/P

ideal = false

 

same loss data = false 

 

data source = attachment or file

  2,3

-

Defines the corresponding data columns used for forward efficiency (η1) and backward efficiency (η2)

Two options are available:

• 

1 by 1 array:

Data column corresponding to the column number is used for both forward and backward efficiency η1=η2 = η 

• 

1 by 2 array:

Data column corresponding to the first column number is used for forward efficiency (η1) and

data column corresponding to the second column number is used for backward efficiency (η2)

columns2

ηfR/PωfR/C

ideal = false

 

same loss data = false 

 

data source = GUI

  0,1,1 

rads,, 

Defines front Ring/front Planet velocity dependant meshing efficiency as a function of ωfR/C .

The columns are:

[ωfR/C     (η1(ωfR/C )     η2(ωfR/C )]

First column is angular velocity of the sun gear w.r.t. carrier (ωS/C)

Five options are available:

• 

1 by 1 array:

Entered value is taken as the constant efficiency for forward and backward cases

η1(ωfR/C) = η2ωfR/C = η

• 

1 by 2 array:

First entered value is taken as the constant efficiency for forward case and the second for backward cases

η1(ωfR/C) = η1 , η2(ωfR/C ) = η2

• 

1 by 3 array:

First column is ignored and the second and third values are taken as constant efficiencies for forward and backward cases, respectively

• 

 n by 2 array:

Second column is forward and backward efficiency

η (ωS/C ) = η1 (ωfR/C ) = η2 (ωfR/C )

• 

n by 3 array:

Second column is forward efficiency

η1 (ωfR/C )

Third column is backward efficiency

η2 (ωfR/C )

meshinglossTable1

ideal = false

 

same loss data = false 

 

data source = attachment

 

 

 

 

 

- 

 

 

 

 

 

Defines the velocity dependent meshing efficiency

First column is angular velocity (ωfP/C )

(See col ηfR/P below)

 

 

 

data1

ideal = false

 

same loss data = false 

 

data source = file

 

 

 

 

-

 

 

fileName1

col ηfR/P

ideal = false

 

same loss data = false 

 

data source = attachment or file

  2,3

-

Defines the corresponding data columns used for forward (η1) and backward (η2) efficiency

Two options are available:

• 

1 by 1 array:

Data column corresponding to the column number is used for both forward and backward efficiency (η1=η2 = η) 

• 

1 by 2 array:

Data column corresponding to the first column number is used for forward efficiency (η1) and

data column corresponding to the second column number is used for backward efficiency (η2)

columns1

ηrP/SωrS/C

ideal = false

 

same loss data = false 

 

data source = GUI

  0,1,1 

rads,, 

Defines rear Planet/rear Sun velocity dependant meshing efficiency as a function of ωrS/C .

The columns are:

[ωrS/C     (η1(ωrS/C )     η2(ωrS/C )]

First column is angular velocity of the sun gear w.r.t. carrier (ωrS/C)

Five options are available:

• 

1 by 1 array:

Entered value is taken as the constant efficiency for forward and backward cases

η1(ωrS/C ) = η2ωrS/C = η

• 

1 by 2 array:

First entered value is taken as the constant efficiency for forward case and the second for backward cases

η1(ωrS/C ) = η1 , η2(ωrS/C ) = η2

• 

1 by 3 array:

First column is ignored and the second and third values are taken as constant efficiencies for forward and backward cases, respectively

• 

n by 2 array:

Second column is forward and backward efficiency

η (ωrS/C ) = η1 (ωrS/C ) = η2 (ωrS/C )

• 

n by 3 array:

Second column is forward efficiency

η1 (ωrS/C )

Third column is backward efficiency

η2 (ωrS/C )

meshinglossTable4

ideal = false

 

same loss data = false 

 

data source = attachment

 

 

 

- 

 

 

 

 

 

Defines the velocity dependent meshing efficiency

First column is angular velocity (ωrS/C )

(See col ηrP/S below)

 

 

 

data4

ideal = false

 

same loss data = false 

 

data source = file

 

 

-

 

 

fileName4

col ηrP/S

ideal = false

 

same loss data = false 

 

data source = attachment or file

  2,3

-

Defines the corresponding data columns used for forward (η1) and backward (η2) efficiency

Two options are available:

• 

1 by 1 array:

Data column corresponding to the column number is used for both forward and backward efficiency η1=η2 = η 

• 

1 by 2 array:

Data column corresponding to the first column number is used for forward efficiency (η1) and

data column corresponding to the second column number is used for backward efficiency (η2)

columns4

ηfP/SωfS/C

ideal = false

 

same loss data = false 

 

data source = GUI

  0,1,1 

rads, N·m, N·m

Defines front Planet/front Sun velocity dependant meshing efficiency as a function of ωfS/C .

The columns are:

[ωfS/C     η1ωfS/C     η2ωfS/C]

First column is angular velocity of the sun gear w.r.t. carrier (ωfS/C)

Five options are available:

• 

1 by 1 array:

Entered value is taken as the constant friction torque for forward and backward cases

η1(ωfS/C ) = η2ωfS/C = η

• 

1 by 2 array:

First entered value is taken as the constant friction torque for forward case and the second for backward cases

η1(ωfS/C ) = η1 , η2(ωfS/C ) = η2

• 

1 by 3 array:

First column is ignored and the second and third values are taken as constant friction torque for forward and backward cases, respectively

• 

n by 2 array:

Second column is forward and backward efficiency

η(ωfS/C) = η1 (ωfS/C ) = η2 (ωfS/C )

• 

n by 3 array:

Second column is forward efficiencyη1 (ωfS/C )

Third column is backward efficiency

η2(ωfS/C )

bearinglossTable3

ideal = false

 

same loss data = false 

 

data source = attachment

 

 

 

- 

 

 

 

 

Defines the velocity dependent meshing efficiency

First column is angular velocity (ωfS/C )

(See col ηfP/S below)

 

 

 

data3

ideal = false

 

same loss data = false 

 

data source = file

 

 

-

 

 

 

fileName3

col ηfP/S

ideal = false

 

same loss data = false 

 

data source = attachment or file

  2,3

-

Defines the corresponding data columns used for forward (η1) and backward (η2) efficiency

Two options are available:

• 

1 by 1 array:

Data column corresponding to the column number is used for both forward and backward efficiency (η1=η2 = η) 

• 

1 by 2 array:

Data column corresponding to the first column number is used for forward friction torque (η1) and data column corresponding to the second column number is used for backward friction torque (η2)

columns3

drP/C

ideal = false

same loss data = true 

0

Nmrads

Linear damping in rear planet/carrier bearings

d2

dfP/C

ideal = false

same loss data = true 

0

Nmrads

Linear damping in front planet/carrier bearings

d1

d

ideal = false

same loss data = true 

0

Nmrads

Linear damping in both planet/carrier bearings

d3

smoothness

ideal=false

Table points are linearly interpolated

-

Defines the smoothness of table interpolation

There are two options:

• 

Table points are linearly interpolated

• 

Table points are interpolated such that the first derivative is continuous

smoothness

 

 

See Also

Driveline Library Overview

MapleSim Library Overview

1-D Mechanical Overview

Gear Sets

Planetary Gear

Planet Planet Gear

Planet Ring Gear