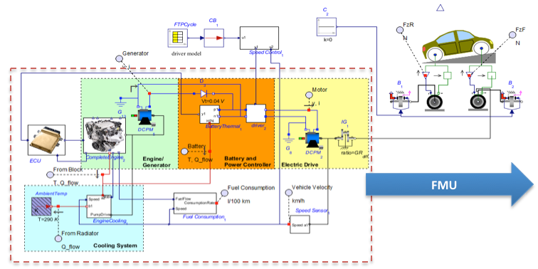
Maplesoft regularly collaborates with its partners on a wide range of projects, to apply expertise in model development to create high-fidelity multidomain models. The models are converted into Functional Mockup Units (FMUs) using the MapleSim Connector for FMI, and then integrated into larger systems within third-party toolchains for system-level testing and code development.
