Physical Modeling - MapleSim - High-Performance Multi-Domain Modeling and Simulation - Maplesoft

Physical Modeling: Faster and More Intuitive

Can't see the video? Get the latest version of Flash
With traditional tools, even a simple system can be very difficult to model. Starting with your system diagram, you need to manually derive the underlying equations governing its behavior, manipulate these equations into a form that can be entered into a block diagram, signal-flow representation, and then build the block diagram.

With the physical modeling techniques in MapleSim, you simply re-create the system diagram on your screen. The components of your MapleSim model map directly to physical components in your system, and the connections between components in the diagram represent actual physical connections.

Using this topological, or acausal, system representation, the equations of the model are generated automatically based on the physical properties of the components and their connections. For complex applications found in industry, this approach can literally save weeks, if not months of project time. MapleSim supports both physical and signal-flow modeling. You can construct plant models using acausal connections between the components to represent their physical relationships, and then combine your plant models with signal flow-based control systems.

Toyota, who entered into a joint project with Maplesoft, has been one of the earliest among industrial companies to embrace this approach to physical modeling: the concept of creating a computer-based model of a system to analyze, test, improve, and optimize the design before actually building the physical system.

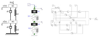
Modeling a double mass spring-damper system - The MapleSim model maps directly to the physical components of the model, whereas the traditional block diagram is much more complex, harder to produce, and looks nothing like the original system representation.
Next Steps
Request a Live Demo of MapleSim
Download a MapleSim Information Kit

How to Buy and Licensing Options
Single User License & MapleSim Student Edition
Purchase in the Web Store
Multi User Licenses
Contact Maplesoft for a Quote

Attend a Live Workshop

High Level Modeling for Control Systems Development

Register for the event including the workshop

Register for the workshop only
e-mail the conference Registration Chair, Murti Salapaka with your name, e-mail address, and PaperPlaza PIN


View a Webinar
Webinar Recordings:

ASEE Webinar
Advanced Physical Modeling tackles the complexities of modern engineering

View all webinar recordings